概览
产品详情
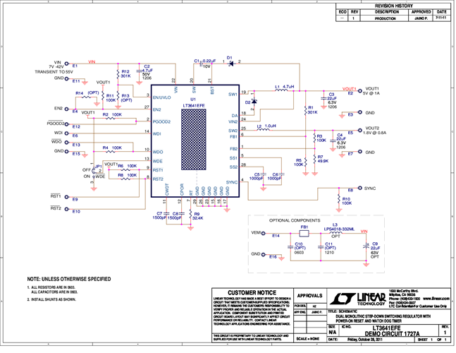
Demonstration circuit 1727A is a dual monolithic buck regulator with power-on reset and watchdog timer featuring the LT3641. The board operates from inputs up to 42V and withstands transients up to 55V. The outputs are 5V, 1A and 1.8V, 0.8A. At light loads, both regulators operate in low ripple Burst Mode® to maintain high efficiency and low output ripple. The power-on reset and watchdog timer periods are independently adjustable using external capacitors.
相关产品
文档
- 
                                                                
                                                                    
                                                                                                                                            DC1727A - Schematic2011/12/21PDF53K
- 
                                                                
                                                                    
                                                                                                                                            DC1727A - Demo Manual2011/11/7PDF371K
- 
                                                                
                                                                    
                                                                                                                                            DC1727A - Design Files2011/12/21ZIP788K
 
                             
                         
                         
                                                