概览
产品详情
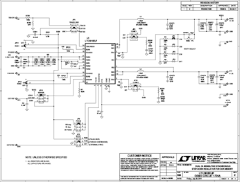
演示电路1726是一款双通道高效率单芯片降压DC/DC开关稳压器,专为计算机系统中的双倍数据速率(DDR)存储器端接而设计。VDDQ输出能够提供最高3A的源电流和吸电流,具有1.5V、1.8V、2.5V的输出电压,可通过跳线选择电压。VTT输出也可提供最高3A的源电流和吸电流,输出电压等于VDDQ电压、输入电压或外部施加电压的一半,均可通过跳线选择。此外,还具有等同于VTT电压的额外低电流输出(VTTR),可提供最高10mA的源电流和吸电流。输入电压范围是2.25V至5.5V,并对超过6.5V的瞬态电压提供过压保护。
文档
-
DC1726A - Schematic2012/3/28PDF53K
-
DC1726A - Demo Manual2011/9/1PDF169K
-
DC1726A - Design Files2011/9/1ZIP1M
