文档
-
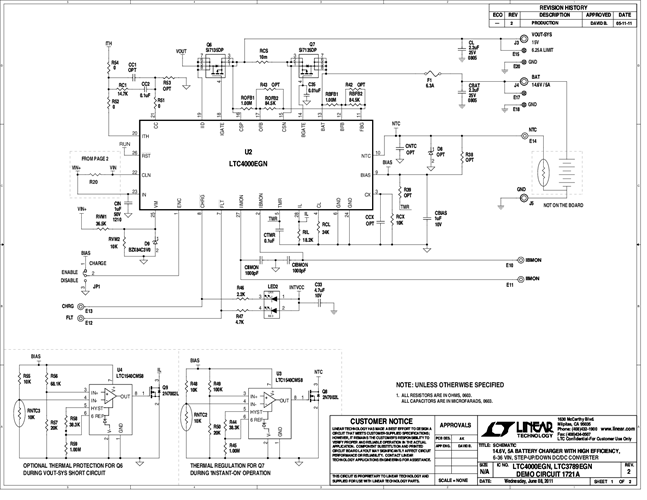
DC1721A - Schematic2012/3/28PDF114K
-
DC1721A-A - Demo Manual2011/6/21PDF210K
-
DC1721A-A - Design Files2011/6/21ZIP1M
