概览
产品详情
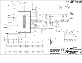
DC1672A: Demo Board for LTC3816 Single-Phase Wide VIN Range DC/DC Controller for Intel IMVP-6/IMVP-6.5 CPUs.
相关产品
文档
-
DC1672 - Schematic2010/10/25PDF325K
-
DC1672A - Demo Manual2010/11/24PDF991K
-
DC1672A - Design Files2010/10/25ZIP3M
