概览
产品详情
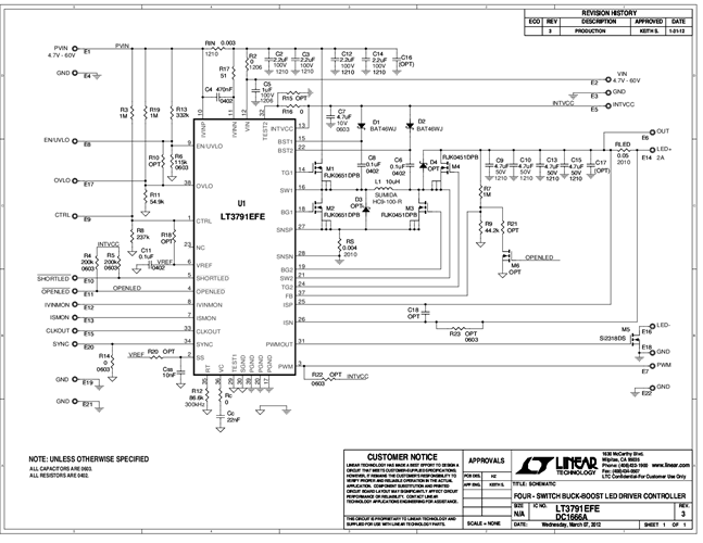
演示电路DC1666A是一款同步四开关降压-升压LED驱动器控制器。输入电压范围为4.7V至60V,并可在2A时驱动高达25V的LED。DC1666A具有LED串的PWM和模拟调光功能。它带有OPENLED标志,指示LED串将何时移除并带有SHORTLED标志,指示输出已短接至GND。在两种情况下,IC均保持在控制状态下且受到良好保护。
相关产品
文档
-
DC1666A - Schematic2012/4/3PDF56K
-
DC1666A - Demo Manual2012/4/2PDF305K
-
DC1666A - Design Files2012/4/3ZIP836K




