概览
产品详情
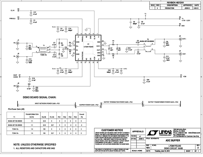
DC1660B: Demo Board for the LTC6417 1.6GHz Low Noise High Linearity Differential Buffer/16-Bit ADC Driver with Fast Clamp.
相关产品
文档
-
DC1660B - Schematic2012/8/27PDF32K
-
DC1660B - Demo Manual2012/5/30PDF193K
-
DC1660B - Design Files2012/8/27ZIP711K
