文档
-
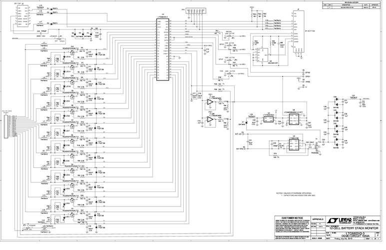
DC1653A - Schematic2011/12/19PDF104K
-
DC1653A - Demo Manual2011/4/1PDF1M
-
DC1653A - Design Files2011/7/27ZIP4M
