概览
产品详情
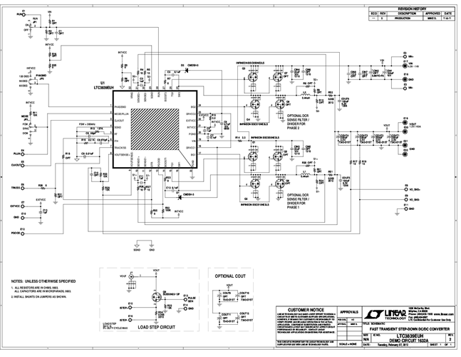
演示电路1632A是一款单路输出1.5V/40A双相同步降压转换器,在4.5V至14V输入电压范围内采用300kHz开关频率工作。LTC3839的受控导通时间谷值电流模式架构支持快速负载阶跃响应。
相关产品
文档
-
DC1632A - Schematic2012/3/12PDF79K
-
DC1632A - Demo Manual2012/3/12PDF231K
-
DC1632A - Design Files2012/3/12ZIP1M
