概览
产品详情
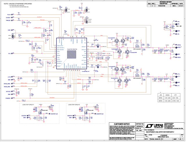
演示电路1631A是一款双输出DDR2或DDR3电源,在1.8V或1.5V(跳线可选)下,对于VDDQ可提供20A电流,对于VTT (VTT = 0.5VDDQ )可提供±10A电流。它还具有±50mA VTTR参考输出。该演示板的工作电压范围为4.5V至14V,标称开关频率为400kHz。
相关产品
文档
-
DC1631A - Schematic2012/1/17PDF89K
-
DC1631A - Demo Manual2012/1/17PDF343K
-
DC1631A - Design Files2012/1/17ZIP1M
