概览
产品详情
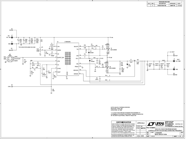
演示电路1619A是一款100kHz至500kHz频率可编程、高电压、电流模式DC/DC降压转换器,内置LT3845A。工作频率可同步至600kHz。该演示板设计为通过16V至60V输入提供12V输出,电流高达10A (120W)。
相关产品
文档
-
DC1619A - Schematic2012/3/21PDF91K
-
DC1619A - Demo Manual2011/3/14PDF516K
-
DC1619A - Design Files2011/3/17ZIP1M




