概览
产品详情
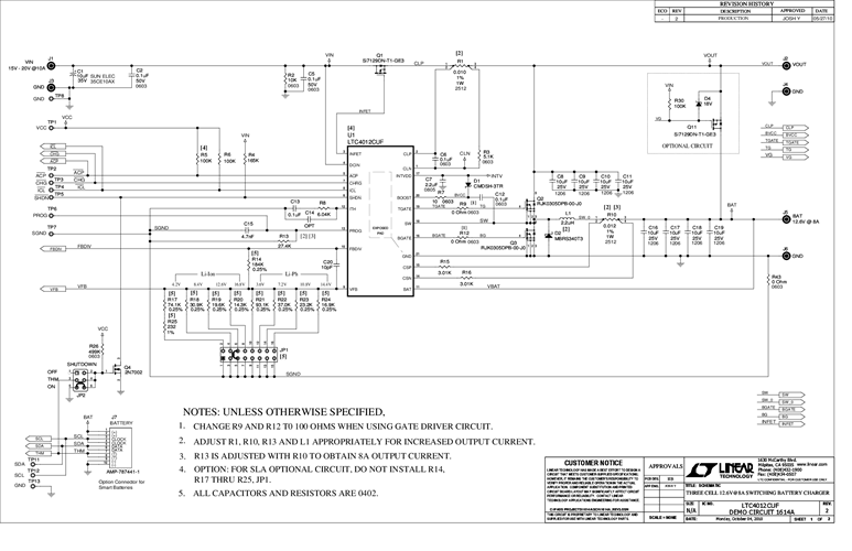
演示电路1614内置具有PowerPath™控制功能的多化学组成单电池充电控制器LTC4012CUF。输入电源电压为13.5V至20V,初始限流配置为10A。充电器浮动电压通过跳线编程,以支持1到4节串联锂离子/聚合物和磷酸铁锂(LiFePO4)电池,电压分别为每节电池4.2V和3.6V,总共有八种设置。该演示板最初配置为12.6V锂离子/聚合物电池恒压充电和8A恒流充电,但在某些工作条件下可能需要降低额定电流。
相关产品
文档
-
DC1614A - Schematic2012/2/28PDF117K
-
DC1614A - Demo Manual2011/7/28PDF324K
-
DC1614A - Design Files2011/7/28ZIP2M





