概览
产品详情
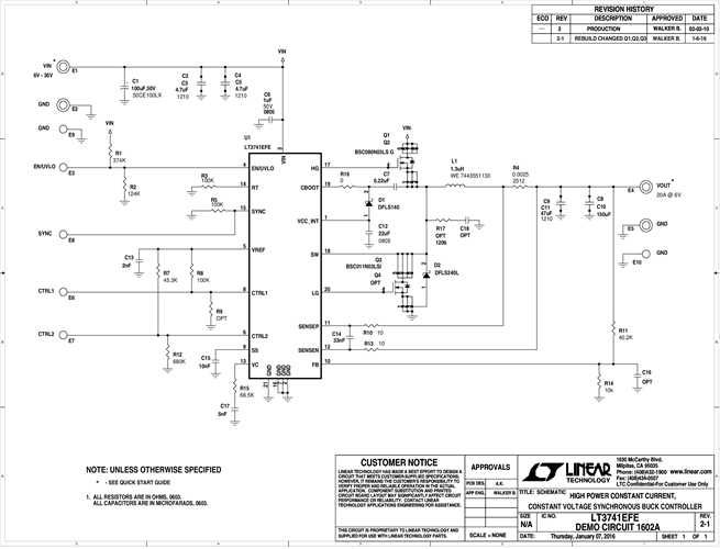
Demonstration circuit 1602 is a High Power Constant Current, Constant Voltage Synchronous Buck Controller featuring the LT3741. The demo board is optimized for 20A output from a 12V input. Being an LED driver, the output current is being regulated until the output voltage reaches a programmed voltage limit. The voltage limit on this demo board is set to around 6V by R11 and R14. The 6V is chosen because of the 10V voltage rating of the output capacitors. Higher output voltage can be easily achieved with higher voltage rated output capacitors.
The ideal load to be used with this demo board is a single LED, such as PT120 from Luminus Devices. Smaller LEDs may not be able to handle the high current, even for a short period of time. At 20A, the demo circuit can operate continuously. However, it is necessary to mount the LED load on a proper heat sink and possibly with a fan to avoid exceed its maximum temperate rating.
相关产品
文档
-
DC1602A - Schematic2016/4/8PDF32K
-
DC1602A - Demo Board2016/4/8PDF254K
-
DC1602A - Design Files2016/4/8ZIP961K




