概览
产品详情
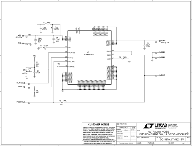
演示电路DC1597A内置LTM8031,它是一款降压型转换器,经认证符合EN55022辐射发射标准要求。LTM8031配置为在5V至36V输入下提供3.3V输出,具有750kHz工作频率。宽输入范围支持各种输入源,如汽车电池、壁式适配器和工业电源。在轻负载条件下,LTM8031进入突发工作模式(Burst Mode®)以便在宽电流范围下提供高效率并保持低输出纹波。
文档
-
DC1597A - Schematic2012/5/2PDF32K
-
DC1597A - Demo Manual2011/1/24PDF967K
-
DC1597A - Design Files2009/11/13ZIP676K




