概览
产品详情
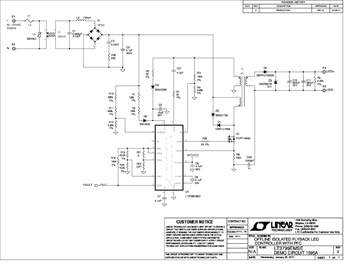
DC1595A: Demo Board for the LT3799 Offline Isolated Flyback LED Controller with Active PFC.
相关产品
文档
-
DC1595A - Schematic2012/5/2PDF63K
-
DC1595A - Demo Manual2011/11/8PDF155K
-
DC1595A - Design Files2011/11/7ZIP2M




