概览
产品详情
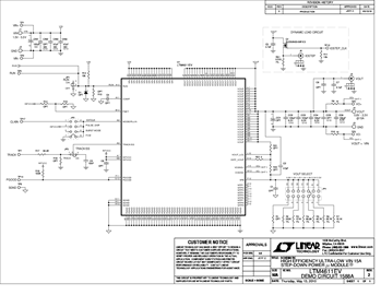
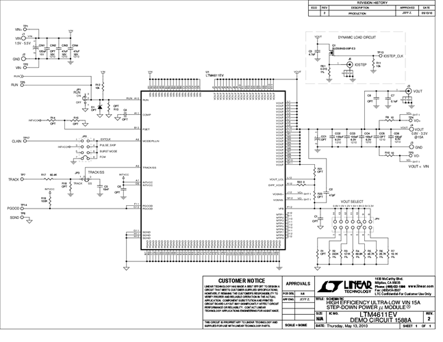
Demonstration circuit DC1588A features the LTM4611EV, a low input voltage 15A step-down power module. The operating input voltage range is 1.5V to 5.5V with an output voltage range from 0.8V to 5V. DC1588A can support a load current up to 15A, while derating may be necessary for different VIN, VOUT and thermal conditions. The LTM4611EV can operate in pulse-skipping mode or Burst Mode® operation for high efficiency under a light load. The DC1588A has a default programmable switching frequency of 500kHz and may be synchronized to an external clock from 360kHz up to 710kHz.
相关产品
文档
-
DC1588A - Schematic2012/5/3PDF73K
-
DC1588A - Demo Manual2010/10/25PDF630K
-
DC1588A - Design Files2010/7/23ZIP3M




