概览
产品详情
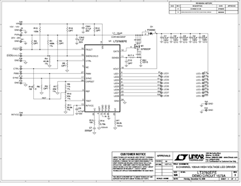
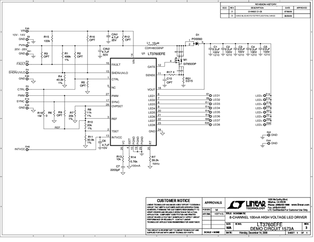
DC1573A is an 8-Channel High Voltage Boost LED Driver featuring the LT3760. The LT3760 drives up to 100mA per string and has a maximum LED string voltage of 45V. The VIN terminal is powered from an 10V to 14V input supply and is distinct from the 24V PVIN supply (20V to 28V) for best thermal performance. Overvoltage protection is set at 55V in case the LEDs are removed from the circuit. If the LEDs are opened, the FAULT terminal output flag goes low and reports the fault condition. If one or more of the 8 LED channels is not used, its LED pin or terminal should be tied to VOUT (LED+) to disable it. Multiple channels can be tied in parallel by tying their LED1-LED8 pins together.
相关产品
文档
-
DC1573A - Schematic2012/5/3PDF57K
-
DC1573A - Demo Manual2011/3/29PDF162K
-
DC1573A - Design Files2010/3/25ZIP2M
