概览
产品详情
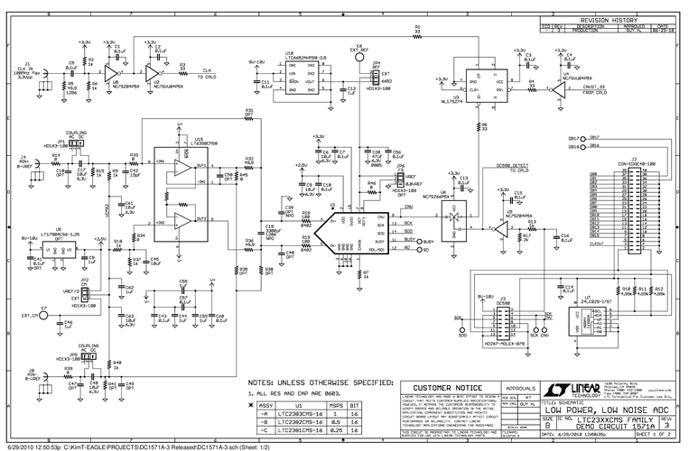
DC1571A-C: Demo Board for the LTC2381-1616-Bit, 250ksps, Low Power SAR ADC with Serial Interface.
相关产品
文档
-
DC1571A - Schematic2010/7/22PDF899K
-
DC1571A - Demo Manual2010/10/4PDF3M
-
DC1571A - Design Files2010/7/22ZIP5M
