概览
产品详情
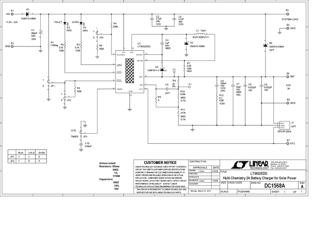
演示电路1568A是一款面向太阳能应用的2A单芯片多化学电池充电器,内置LT3652EDD。LT3652是一款完整的中功率锂离子电池充电器,可在较宽的输入电压范围内工作。该充电器采用3.3V浮充电压反馈基准电压源,允许调整电池浮充电压,最高达14.4V。
LT3652具有输入电压调整环路,如果通过电阻分压器设置的输入低于编程电平,该环路将降低充电电流。该电路提供CC/CV充电,最大充电电流为2A,可通过检测电阻编程设置。
相关产品
文档
-
DC1568A - Schematic2013/5/21PDF82K
-
DC1568A - Demo Manual2013/3/29PDF232K
-
DC1568A - Design Files2013/5/21ZIP741K





