概览
产品详情
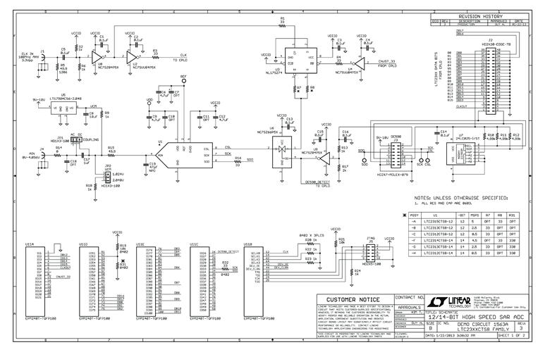
DC1563A-C: Demo Board for the LTC2312-12 - 12-Bit, 500ksps Serial Sampling ADC in TSOT.
相关产品
文档
-
DC1563A - Schematic2013/9/11PDF82K
-
DC1563A - Demo Manual2013/9/11PDF2M
-
DC1563A - Design Files2013/9/11ZIP1M
