概览
产品详情
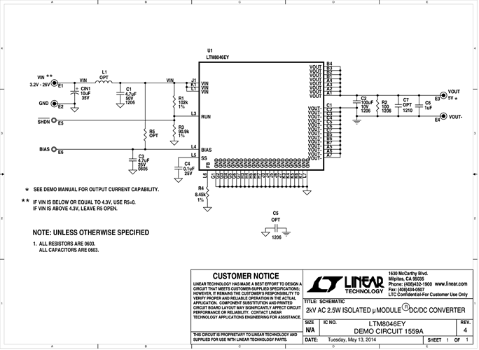
The demo circuit 1559A features the LTM8046, a 2kVAC, 2.5W isolated flyback μModule® converter. The demo circuit is designed for a 5V output from a 3.2V to 26V input. The typical current capability of the 5V output varies with input voltage from about 150mA at VIN = 4V to about 550mA at VIN = 26V. R2 provides the necessary minimum load current to keep the VOUT in regulation throughout the entire input voltage range. Please see the Typical Performance Characteristics curves in the LTM8046 data sheet to determine the minimum load current for other input/output configurations.
文档
-
DC1559A - Schematic2014/7/16PDF27K
-
DC1559A - Demo Manual2014/7/16PDF374K
-
DC1559A - Design Files2014/7/16ZIP781K




