概览
产品详情
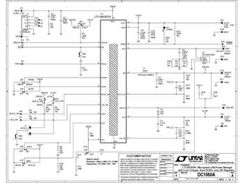
Demonstration Circuit DC1550A is a Micropower USB Power Manager with Li-Ion Charger, Buck DC/DC, and LDO Regulator featuring the LTC3553. It features a USB input, a 500mA CC/CV Li-Ion linear charger, a 3.3V/200mA synchronous buck and a 1.2V/150mA low dropout linear regulator. Designed specifically for USB applications, the LTC3553 power manager automatically limits input current to a maximum of either 100mA or 500mA. Battery charge current is automatically reduced such that the sum of the load current and the charge current does not exceed the selected input current limit.
相关产品
文档
-
DC1550 - Schematic2009/11/4PDF90K
-
DC1550A - Demo Manual2009/11/4PDF633K
-
DC1550A - Design Files2009/11/4ZIP800K
