概览
产品详情
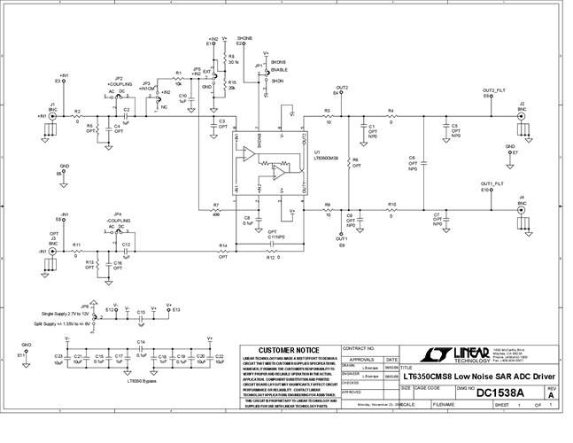
DC1538A: Demo Board for LT6350 Low Noise Single-Ended to Differential Converter/ADC Driver.
相关产品
文档
-
DC1538A - Schematic2010/3/4PDF78K
-
DC1538A - Demo Manual2010/3/4PDF326K
-
DC1538A - Design Files2010/3/4ZIP710K



