概览
产品详情
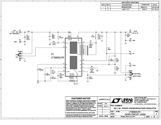
演示电路1520A是一款具有70μA静态电流的36V、4A同步降压稳压器,内置LT3690。该演示板设计采用4.5V至36V输入,提供3.3V输出,瞬态电压高达60V。LT3690的宽输入范围支持各种输入源,如汽车电池和工业电源。可通过振荡器电阻或外部时钟在170kHz至1.5MHz的范围内对开关频率进行编程。
相关产品
文档
-
DC1520A - Schematic2011/3/29PDF72K
-
DC1520A - Demo Manual2011/3/23PDF204K
-
DC1520A - Design Files2011/3/29ZIP1M
