概览
产品详情
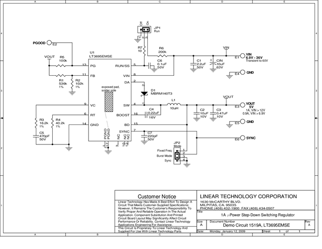
Demonstration circuit 1591A is a monolithic step-down switching regulator featuring the LT3695EMSE. The demo board is designed for 5V/1A output from a 6.9V to 36V input, with transients up to 60V. The LT3695 tolerates adjacent pin shorts or an open pin without raising the output voltage above its programmed value.
相关产品
文档
-
DC1519A - Schematic2009/11/4PDF24K
-
DC1519A - Demo Manual2009/11/4PDF1M
-
DC1519A - Design Files2009/11/4ZIP1M
