文档
-
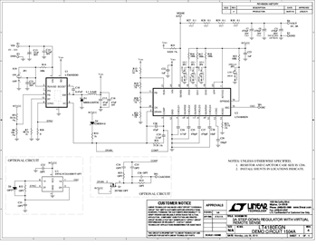
DC1504A - Schematic2012/5/4PDF61K
-
DC1504A - Demo Manual2011/8/9PDF173K
-
DC1504A - Design Files2011/8/9ZIP2M
