概览
产品详情
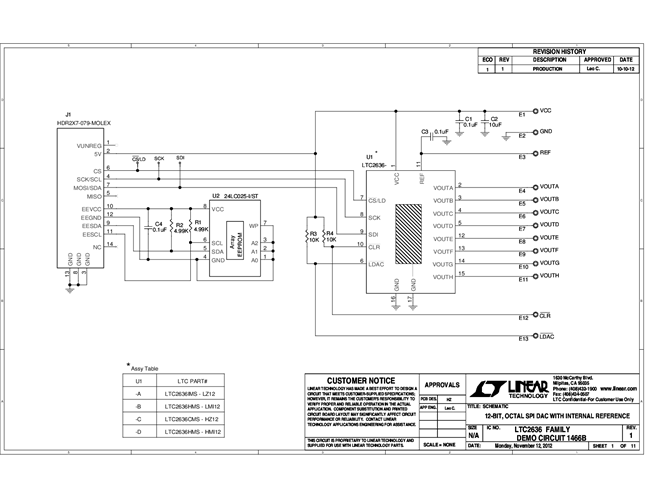
演示电路 1466B 采用 LTC2636,这是一款具有内部基准电压源的 12 位、八通道 SPI DAC。该套件是带有内部基准电压源的、紧凑型、八通道解决方案,可简化系统设计。在使用 DC590 USB 串行控制器板和所提供的软件测量性能时,DC1466B 可以直接连接到目标应用的模拟信号。
相关产品
文档
-
DC1466B - Schematic2013/9/27PDF40K
-
DC1466B - Demo Manual2013/9/27PDF198K
-
DC1466B - Design Files2013/9/27ZIP1M




