概览
产品详情
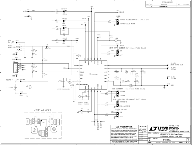
Demonstration circuit DC1448 is a complete power solution for a USB powered device. Power is input from one of three sources, and three outputs are provided, as well as supervisory signals for a microprocessor. DC631 provides the following functions; 700mA CC/CV timer terminated charger suitable for 4.1V Li-Ion cells, USB power manager that insures compliance with the USB power specification, two 1.5MHz synchronous step-down converters and reset and power button status outputs for interfacing with a microprocessor.
相关产品
文档
-
DC1448A - Schematic2009/9/24PDF161K
-
DC1448A - Demo Manual2009/9/24PDF402K
-
DC1448A - Design File2009/9/24ZIP627K
