概览
产品详情
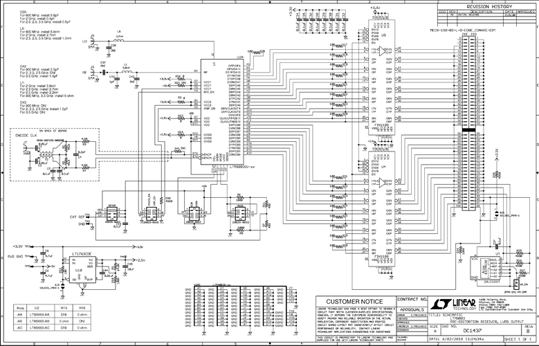
DC1437B-AB: Demo Board for the LTM9003-AB 12-Bit Digital Pre-Distortion Receiver Subsystem.
相关产品
文档
-
DC1437B - Schematic2014/8/1PDF81K
-
DC1437B - Demo Manual2014/8/1PDF465K
-
DC1437B - Design Files2014/8/1ZIP1M
