概览
产品详情
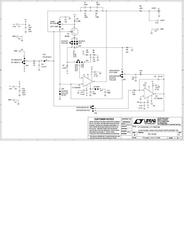
DC1416B: Demo Board for the LT1222 500MHz, 3nV√Hz, AV ≥ 10 Operational Amplifier.
相关产品
文档
-
DC1416 Schematic2009/9/24PDF37K
-
DC1416A - Demo Manual2016/11/8PDF224 K
-
DC1416 - Design File2009/9/24ZIP1 M




