概览
产品详情
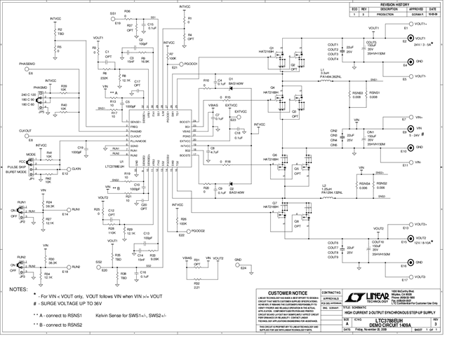
Demonstration circuit DC1409 is DC/DC boost converter featuring the LTC3788 constant frequency current mode boost controller. The DC1409A operates over 5V to 24V input and provides 8A to 10A of output current at 12V output. Also, the DC1409A provides a second 24V output capable of delivering 3A to 5A. The 300kHz constant frequency operation results in small and efficient circuit. The converter provides high output voltage accuracy (typically ±3%) over wide load range with no minimum load requirement. The demonstration circuit can be easily modified to generate different output voltages. Also, the two outputs can be connected together to generate single output with two phase operation.
相关产品
文档
-
DC1409A - Schematic2010/1/20PDF49K
-
DC1409A - Demo Manual2010/1/20PDF853K
-
DC1409A - Design Files2010/1/20ZIP1M
