概览
产品详情
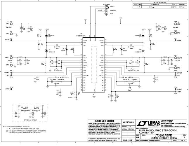
演示电路1403A是一款内置LT3692A的双电流模式PWM降压DC/DC转换器。该演示电路可通过7V至36V输入提供5V和3.3V输出。每个通道可提供高达3A电流。尽管LT3692A具有60V过压保护,但演示板设计并未突出此功能。
相关产品
文档
-
DC1403A - Schematic2011/12/15PDF71K
-
DC1403A - Demo Manual2011/10/30PDF341K
-
DC1403A - Design Files2011/10/30ZIP3M
