概览
产品详情
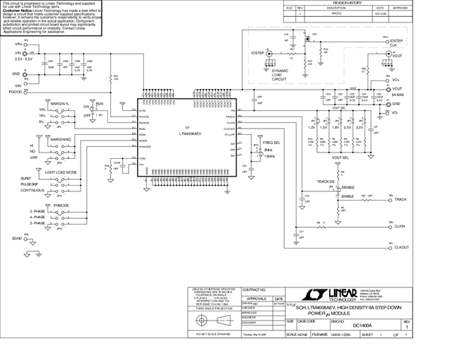
DC1400A: Demo Board for LTM4608A Low VIN, 8A DC/DC µModule with Tracking, Margining, and Frequency Synchronization
相关产品
文档
-
DC1400A - Schematic2009/9/24PDF37K
-
DC1400A - Demo Manual2010/11/16PDF1M
-
DC1400A - Design File2009/9/24ZIP2M




