概览
产品详情
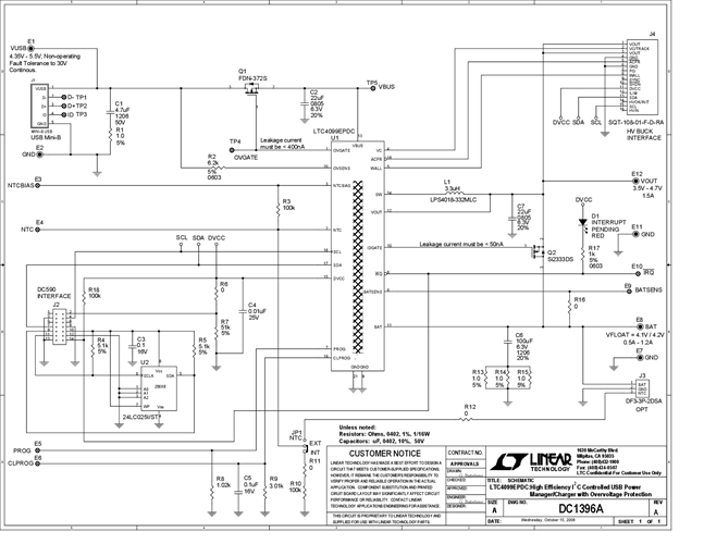
Demonstration Circuit 1396A is an I2C-controlled, high-efficiency USB/5V Powered 1A Li-Ion battery charger/manager with the control hooks for an external HV battery-tracking step-down controller (LT3480 is recommended). The Input current is automatically limited for USB compatibility. The DC1396's input voltage ranges from 4.35V to 5.5V, and the device provides overvoltage protection from up to 30V. The device features a CC/CV linear charger with a 4.2V charge voltage, C/x detection and timer termination.
相关产品
文档
-
DC1396A - Schematic2009/9/24PDF98K
-
DC1396A - Demo Manual2009/9/24PDF480K
-
DC1396A - Design File2009/9/24ZIP696K
