文档
-
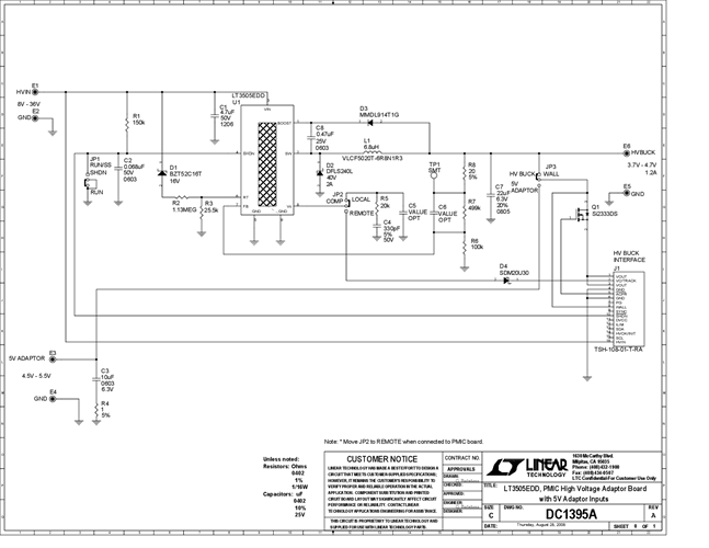
DC1395A - Schematic2009/9/24PDF104K
-
DC1395A - Demo Manual2009/9/24PDF361K
-
DC1395A - Design File2009/9/24ZIP626K
