文档
-
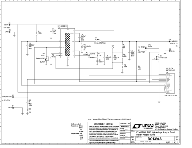
DC1394A - Schematic2009/9/24PDF97K
-
DC1394A - Demo Manual2009/9/24PDF273K
-
DC1394A - Design File2009/9/24ZIP707K
