概览
产品详情
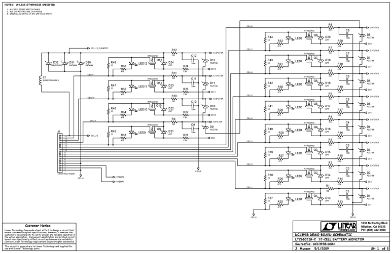
DC1393B: Demo Board for LTC6802-2 Multicell Addressable Battery Stack Monitor
相关产品
文档
-
DC1393B - Schematic2010/1/12PDF120K
-
DC1393B - Demo Manual2010/1/12PDF1M
-
DC1393B - Design Files2010/1/12ZIP906K




