概览
产品详情
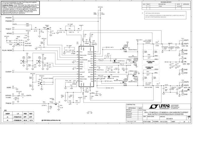
Demonstration circuit 1381A is a Low Quiescent Current, Dual Output Synchronous Buck Converter featuring the LTC3857EUH/LTC3858EUH. The DC1381A provides 3.3V/5A and 8.5V/3A from a wide input voltage range of 4.5V to 36V, making it suitable for automotive or other battery fed application where low quiescent current is important.
Two versions of the board are available. DC-1381A-A is for the LTC3857EUH, while the DC1381A-B is for the LTC3858EUH. The LTC3857EUH offers lower quiescent current and smaller burst mode ripple, while the LTC3858EUH offers latch-off protection and increased burst mode efficiency.
相关产品
文档
-
DC1381A - Schematic2009/10/22PDF91K
-
DC1381A - Demo Manual2009/10/22PDF1M
-
DC1381A - Design Files2009/10/22ZIP4M
