概览
产品详情
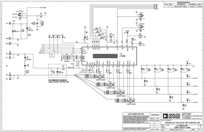
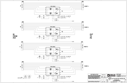
演示电路 DC1366B 内置 LTC4266,一款集成 I2C® 接口的四通道网络电源控制器,设计用于兼容 IEEE 802.3at 的供电设备(PSE)。四个独立的通道集成在小型 5mm × 7mm 38 引脚 QFN 封装中,用于控制外部N沟道功率 MOSFET。相关产品
文档
-
DC1366B - Schematic2015/11/9PDF90K
-
DC1366B - Demo Manual (Rev. B)2015/12/4PDF0M
-
DC1366B - Design Files2016/4/21ZIP1M




