概览
产品详情
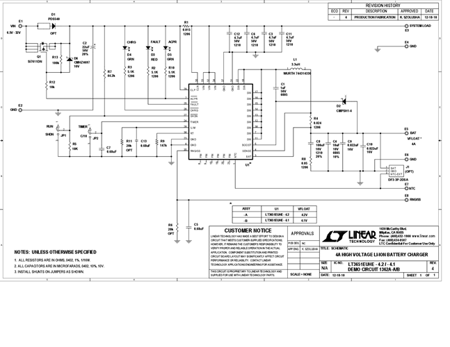
Demonstration circuit 1362A-B (fixed 4.1V output) is a 4A high voltage Li-Ion battery charger featuring the LT3651EUHE-4.1. The LT3651 is a complete, high power Li-Ion battery charger that can operate over a wide input voltage range. The charger is a constant-current, constant-voltage type with a maximum charge current of 4A that can be externally set. A precondition feature trickle charges a low voltage battery and bad battery detection provides a signal if the battery doesn’t respond to preconditioning. The LT3651EUHE is available in a 36-lead (5mm × 6mm) QFN surface mount package with two exposed thermal pads.
相关产品
文档
-
DC1362A - Schematic2013/3/13PDF73K
-
DC1362A - Demo Manual2013/2/15PDF603K
-
DC1362A - Design Files2013/3/13ZIP815K
