文档
-
Hot Swap Controllers2023/8/2PDF0 M
-
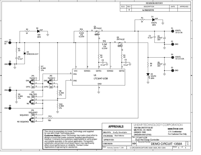
DC1358A - Schematic2009/9/24PDF79K
-
DC1358A - Demo Manual2009/9/24PDF436K
-
DC1358A - Design File2009/9/24ZIP1M
