概览
产品详情
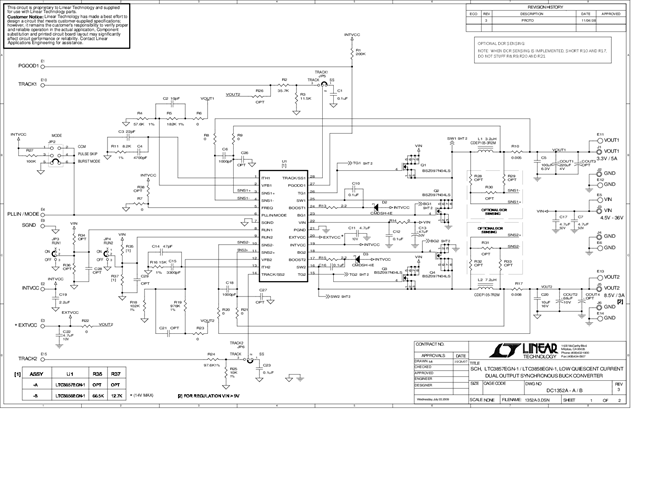
Demonstration circuit 1352A is a low quiescent current, dual output 2-phase, synchronous buck converter demo board featuring the LTC3857EGN-1 or LTC3858EGN-1. It features a 4.5V to 36V input voltage range and provides 3.3V / 5A and 8.5V / 3A outputs. Two versions of the board are available. The DC-1352A-A is for the LTC3857EGN-1, which offers lower quiescent current and smaller burst mode ripple, while the DC1352A-B is for the LTC3858EGN-1 which offers latch-off protection and increased burst mode efficiency.
相关产品
文档
-
DC1352A - Schematic2009/10/22PDF89K
-
DC1352A - Demo Board2009/10/22PDF1M
-
DC1352A - Design Files2009/10/22ZIP3M
