概览
产品详情
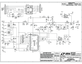
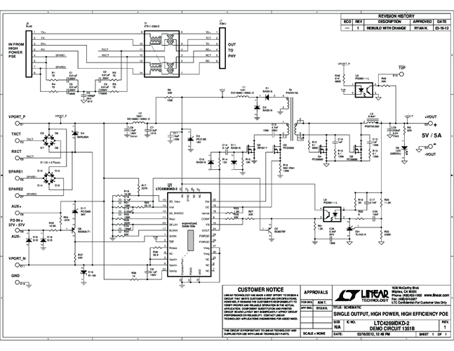
DC1351B: Demo Board for the LTC4269-2 IEEE 802.3at High Power PD and Synchronous Forward Controller with AUX Support
相关产品
文档
-
DC1351B - Schematic2013/3/14PDF48K
-
DC1351B - Demo Manual2013/1/23PDF1M
-
DC1351B - Design Files2013/1/23ZIP1M





