概览
产品详情
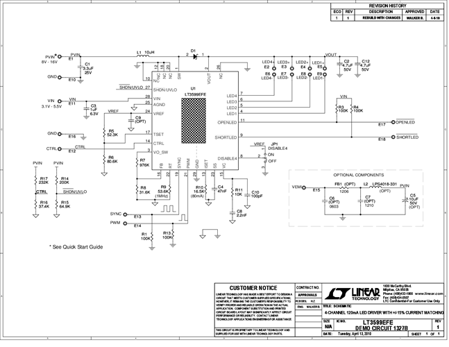
演示电路1327B是一款具有+/-1.5%匹配电流的4通道80mA LED驱动器,内置LT3599。LT3599是一款升压DC/DC转换器,每串可驱动多达4串LED(电流高达120mA),输出电压最高可达44V。LED串连接至内部电流源,此时电流电平由外部电阻设置。每串最多可包含10个白光LED。允许并联串。根据电路要求,尽管可以接受高达40V的高电压,LT3599的电源电压范围为3.1V至5.5V,且升压转换器采用8V至16电压电源供电。
相关产品
文档
-
DC1327B - Schematic2010/7/21PDF46K
-
DC1327B - Demo Manual2010/7/21PDF315K
-
DC1327B - Design Files2010/7/21ZIP1M



