概览
产品详情
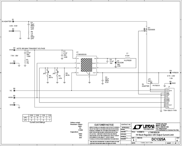
DC1325A: Demo Board for LT3653 1.2A, HV Input Regulator with Output Current Limit for Battery Charger Applications
相关产品
文档
-
DC1325A - Schematic2009/9/24PDF90K
-
DC1325A - Demo Manual2009/9/24PDF620K
-
DC1325A - Design File2009/9/24ZIP622K
