概览
产品详情
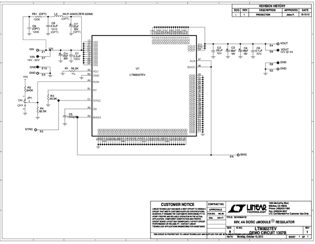
Demonstration circuit 1307B features the LTM8027 configured to deliver 12V/4A from a 16V to 60V input. The wide input range of the LTM8027 allows a variety of input sources such as automotive batteries, wall adaptors and industrial supplies. The LTM8027 is a step down converter, so a minimum amount of headroom is required to keep the output in regulation. A soft-start feature controls the output voltage slew rate at start-up, reducing current surges and voltage overshoots.
相关产品
文档
-
DC1307B - Schematic2013/3/14PDF55K
-
DC1307B - Demo Manual2013/3/14PDF427K
-
DC1307B - Design Files2013/3/14ZIP647K




