文档
-
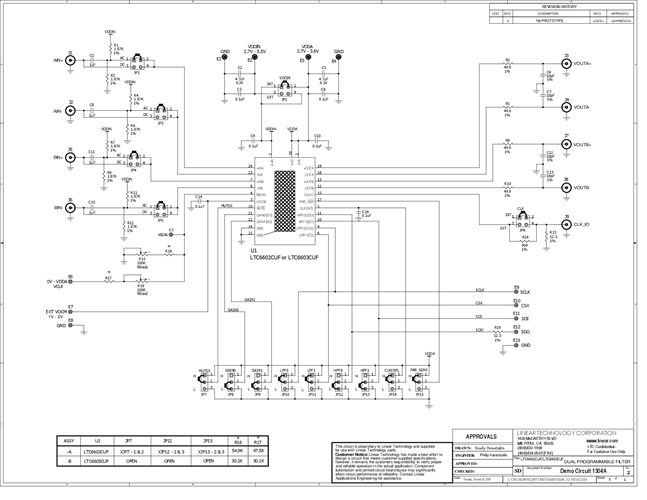
DC1304A - Schematic2011/3/7PDF100K
-
DC1304A - Demo Manual2009/9/24PDF1M
-
DC1304A - Design File2010/2/9ZIP2M
