概览
产品详情
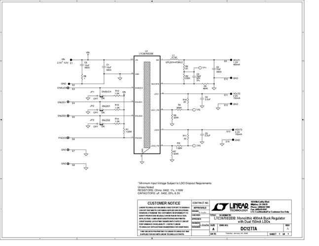
演示电路1277A是一款演示板,内置三路电源LTC3670,包括一个400mA同步降压稳压器和两个150mA低压差线性稳压器(LDO).输入电源范围为2.5V至5.5V,提供1.2V (400mA)、2.8V (150mA)和3.3V (150mA)电压。LDO的输出电压调节受到基于电源电压的压差要求的影响。
相关产品
文档
-
DC1277A - Schematic2009/9/24PDF39K
-
DC1277A - Demo Manual2009/9/24PDF381K
-
DC1277A - Design File2009/9/24ZIP646K
