概览
产品详情
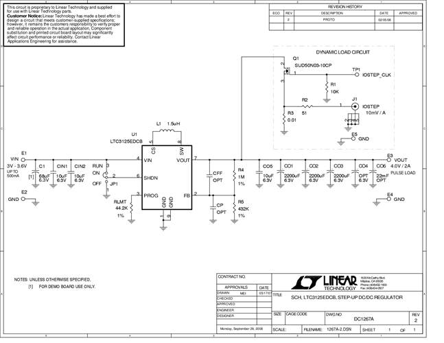
Demonstration circuit 1267A is a step-up DC/DC regulator featuring the LTC3125EDCB and is ideally suited for pulsed load applications where the input current needs to be limited. Demonstration circuit 1267A is configured for 500mA maximum input current limit and can handle pulsed load currents of up to 2A, with duty cycles of up to 15%. The input voltage range is 3.3V ±10%.
文档
-
DC1267A - Schematic2009/9/24PDF29K
-
DC1267A - Demo Manual2009/9/24PDF318K
-
DC1267A - Design File2009/9/24ZIP3M
