概览
产品详情
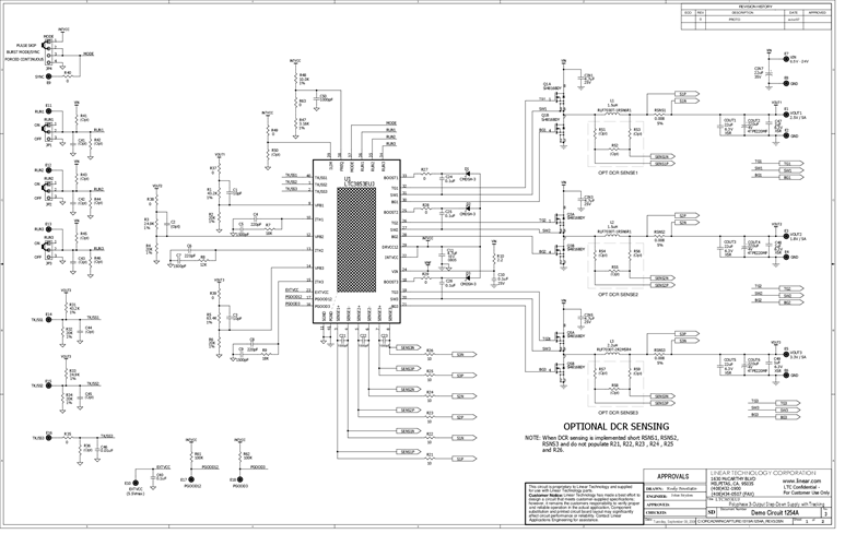
演示电路1254A是一款具有跟踪功能的多相3路输出降压电源,内置LTC3853EUJ。输入电压范围为6.5V至24V。对于具有5V ±0.5V较窄输入范围的应用,该板提供可选电阻,用于将INTVCC引脚连接到VIN引脚。该演示板提供三种5A输出,具有2.5V、1.8V和3.3V输出电压。该电路板的主要特性:电源轨跟踪、用于偏置的内部5V线性稳压器、用于每路输出、两个PGOOD信号和模式选择器的RUN引脚,通过这些引脚该转换器可在CCM、跳脉冲或突发工作模式下工作。通过一些微小的元件变更也可与外部时钟同步。
相关产品
文档
-
DC1254A - Schematic2009/9/24PDF112K
-
DC1254A - Demo Manual2009/9/24PDF550K
-
DC1254A - Design File2009/9/24ZIP3M
