文档
-
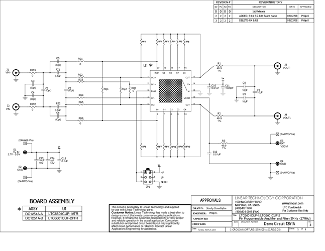
DC1251A - Schematic2009/9/24PDF86K
-
DC1251A - Demo Manual2009/9/24PDF588K
-
DC1251A - Design File2009/9/24ZIP1M
